default-article-image
Disponibile
NEW
COMUNELLO

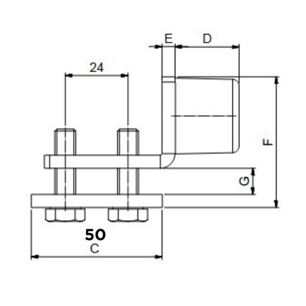
Battente finecorsa Comunello 25-G Grande zincato

Codice Articolo 09815032 Codice Fornitore 10704810 001
Mostra  Nascondi 
  • BRAND
  • COMUNELLO
Configura l'articolo

arresto finecorsa comunello 25

Promozioni
Novità